PZ object mortise lock - forend width 20 mm
PZ object mortise lock - forend width 20 mm
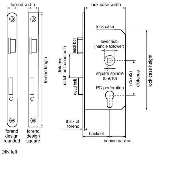
Dimensions
square spindle:
8 mm spring lever hub
forend width:
20 mm
forend length:
235 mm
distance:
72 mm
backset:
60 mm
lock case height:
165 mm
Product features
- lock case closed and galvanized
- with latch bolt lever for alternating function
- forend made of stainless steel
- with nickel-plated silent latch bolt
- forend design rounded or square
- 2-turn = 22 mm dead bolt exclusion (nickel plated)
- door alignment DIN right or DIN left selectable
- classification according to DIN 18251, class 3
Application area
- suitable for rebated doors with 72 mm distance
- prepared for Euro profile cylinder
Scope of delivery
- KBV PZ object mortise lock - forend width 20 mm
Manufacturer:
KBV Kehrmann Beschlagtechnik Velbert e. K.
Zeiss-Straße 19
D-42551 Velbert
www.kbv-beschlaege.de


