EVVA EPS-5 double cylinder
EVVA EPS-5 double cylinder (factory profile)
EVVA EPS-5 factory profile (Extended Profile System) is a proven, conventional locking system developed on the tumbler or locking pin principle. The system is characterised by high wear resistance. The exact key centring due to the special profile rib construction ensures that the key can be inserted without any problems. It is a patented, multiple overlapping key profile and the authorization check is carried out on several security levels.
EPS reliably protects private homes, but is also a frequently and gladly used access system in clearly structured locking systems, such as in office buildings, restaurants or residential buildings.
Patent protection until 2041
Basic length
- from 31/31 mm
- measured from the middle of cam
- extension 5 mm per side
Execution
- conventional locking system
- lenght profile system with large key cross-sections
- patented, multiple overlapping key profile
- vertical, easy key insertion
- cylinder body: brass matt nickel plated, cylinder core: base material brass
- combination with electronic locking system possible
Operational area
- front doors, connecting doors, office doors, interior doors, exterior doors, apartment doors, gates, wooden doors, etc.
- for tubular frame doors or aluminium doors
- suitable for mortise locks according to DIN, ÖNORM or locks with PZ perforation or according to standardised EU standards
- office building
- gastronomy
- residences
- for clearly structured locking systems
- Suitable as standard for fire and smoke doors with a fire resistance duration of 90 minutes. This makes the system ideally suited for burglar-resistant doors of resistance classes 1 to 4 without further testing.
Technical characteristics
- compact design
- spring-loaded pin system with 5 active, spring-loaded sensing elements and up to 20 additional side codings
- integrated manipulation control of the key in the cylinder
- locking authorisation query by means of core rib profiling and by profile locking bar, which is controlled spring-free via a curve in the body
- drilling protection: hardened HSS steel pins in the cylinder core, hardened steel ball to protect the connecting axle (on both sides)
- high wear resistance
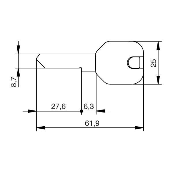
- cam movement 360 degrees, cam removal position 30 degrees (right of short side)
- width of cam: 9,3 mm
- certified according to DIN EN 1303:2015 160B0C6B
EPS is a spring-loaded pin system with 5 active, spring-loaded, sensing elements which offers up to 20 additional side codes. The integrated manipulation control of the key in the cylinder as well as the double-acting locking pins ensure good security.
EPS-5 consists of a length and a transverse profile as well as a pin system - this results in 3 security levels.
The control is carried out in the cylinder core when the key is inserted into the keyway - using the core rib profiling and a profile locking bar, which is controlled springlessly via a curve in the body.
The system is characterized by high wear resistance. The exact key centring due to the special profile rib construction ensures easy insertion of the key.




Key
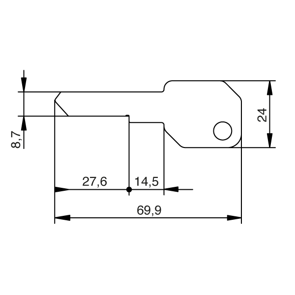
- key thickness: 2,3 mm
- serrated key made of special resistant nickel silver alloy
- exact key centring: easy insertion of the key thanks to the special profile rib construction
- with large key cross-sections
- very resistant, low wear
- optional: key caps, key with extended key neck
Description of the additional options
Key with design cap
- colours: black, blue and red, yellow, green and white
- material thickness design cap: 7,2 mm
- plastic caps for special design requirements for the keys
- ergonomic design and high quality for better haptics
- easy optical differentiation
- simple management of locking systems through colour assignment
- consecutive numbering of the key (key with the same locking authorisation receives a consecutive number)
- use exclusively for EVVA keys
- factory assembly, subsequent opening and retrofitting is not possible






Key with extended key neck
- specially shaped key
- for use with armoured fittings




Options / Special equipment
- different cylinder finishes (Attention: extended delivery time)
- modular design
- emergency and danger function
- weather protection
- seawater version
- freewheel (on request)
Description of the additional options
Cylinder finishes
- standard finish: nickel
- optional: brass (front polished), brown patinated, black patinated
- cylinders in brass or brown are manufactured in modular construction
- optional finishes cannot be combined with: seawater resistance, dust and weather protection
- for individual design requirements
- if desired, homogeneous appearance of door cylinder and fitting
- Please note:
If a different finish, different from the standard finish, is ordered, extended production times may occur.










Modular design
The modular cylinder is a profile cylinder in which the different cylinder lengths can be adjusted without great time expenditure by means of suitable intermediate parts of the respective locking system. It is mainly intended for use in construction site assembly or for doors whose design may change subsequently. This construction method achieves the class according to DIN EN 1303:2015 160B0C6D.
In combination with the danger function, the function is only possible from a cylinder length of 31/36 mm.


BSZ - double cylinder lockable on both sides, danger function
This function enables the lock cylinder to be locked even if a key with locking authorisation is inserted on the opposite side. In combination with the modular design, the function is only possible from a cylinder length of 31/36 mm.


SEW - seawater resistance
- for cylinders that are exposed to strong environmental influences
- cylinder parts susceptible to corrosion are delivered with a special surface finish
- Please note:
When ordering this option the delivery time will be extended.


SSW - protection mechanism against dust and weather influences
Spring-loaded locking plates integrated in the locking cylinder, which open and close automatically when the key is inserted or removed. This design is one-sided on the outside.
The cylinder is extended by 3,7 mm.
Please note:
When ordering this option, the delivery time is extended.


Freewheel function 360° (on request)
- single freewheel only for double cylinder and half cylinder
- the coupling is driven via the tip of the key
- restrictions possible in combination with other optional equipment
- freewheel function (FZG): freewheel with forced decoupling / forced controlled decoupling of the cam, the clutch is driven by the tip of the key, suitable for gear anti-panic multipoint locks (Only if mandatory by the lock manufacturer.)
Scope of delivery
- double cylinder incl. 3 or more keys
- fixing screw M5
- Installation tip: when installing, ensure that there is an external projection of max. 3 mm in conjunction with a fitting that cannot be screwed off from the outside!
- security card
Manufacturer:
EVVA Sicherheitstechnik GmbH
Höffgeshofweg 30
47807 Krefeld
www.evva.com
How to measure the cylinder length correctly?
You can also find help in determining the correct length in our Help Center for "Cylinder Gauge".
