EVVA MCS knob cylinder
EVVA MCS knob cylinder
MCS (Magnetic Code System) guarantees triple security through one magnetic and two mechanical codings. The permanent magnetisation holds constantly. The cylinder core contains 8 rotating magnetic rotors to which the 4 magnetic pills of the key are assigned. If is the key from keyway removed, they always assume a different position. Each magnetic pill can be magnetised differently on each side.
MCS is ideal for locking systems with high demands on perfection and security. Especially for objects where highly sensitive and irretrievable valuables have to be protected.
Locking system reserves can already be taken into account when planning the locking system.
Patent protection until 2035
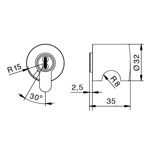
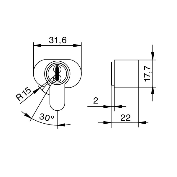
Basic length
- from 31/31 mm
- measured from the middle of cam
- extension 5 mm per side
- Ordering information: the knob is always located on the inside of the cylinder.
Execution
- reversible key system
- vertical, easy key insertion
- high wear resistance
- cylinder body: brass matt nickel plated, cylinder core: base material brass
- lockable from the outside with key, inside with knob
- combination with electronic locking system possible
Operational area
- front doors, connecting doors, office doors, interior doors, exterior doors, apartment doors, gates, wooden doors, aluminium doors, etc.
- for tubular frame doors, security doors
- for mortise locks directed for profile cylinders
- luxury trade, research institutions
- hospitals, international airports
- residences
- office building
Technical characteristics
- magnetic code system in modular design
- dual authorization queries during the locking process
- freely rotating magnetic rotors to which the four magnetic pills of the MCS key are assigned
- 7 additional springless mechanical horizontal locking elements
- mechanical control by a length profile system and positively controlled locking pin detection on both key sides
- carbide drilling protection on the outside in the core and body
- pulling protection through chrome-nickel connecting axle
- breakaway and core pulling protection
- picking and scanning protection
- impact key protection
- cam movement 360 degrees, cam removal position 30 degrees (right of the knob side)
- width of cam: 9,3 mm
- certified according to DIN EN 1303:2015 16010C6D
Magnetic code system - maximum key copying security
The MCS cylinder contains a total of eight freely rotating magnetic rotors to the left and right of the key channel, to which the four magnetic pills of the MCS key are assigned. When an MCS key with a matching magnetic coding is inserted, all magnetic rotors are brought into the correct locking position. 2 mechanic bars above these assign the locking authorisation.
The mechanical control is carried out by a profile system (length profile) and by a positively controlled locking pin detection on both key sides with manipulation control. The permanent magnets made of Samarium-Cobalt-5 guarantee a long service life and cannot be remagnetized or demagnetized by conventional tools.
The unique magnetic keys guarantee maximum security against key copying. Each lock and each key is unique.




Modular design (SYMO)
The MCS cylinders are manufactured in modular design (SYMO) and are therefore more than flexible. With the modular system, the cylinder length can be subsequently adjusted by a specialist or a specific function (e.g. lockable on both sides) can be assigned to the cylinder. This allows you to benefit from flexible solutions and reduce your time and cost expenditure. The cylinder lengths can be changed in 5 mm increments.
Locking cylinder security
The innovative technologies of the MCS cylinder offer sustainable protection against illegal opening methods:
- Picking and scanning protection
The freely rotating magnetic rotors of the MCS cylinder are spatially separated from the key channel and therefore cannot be scanned or manipulated. This means that it is not possible to scan the magnetic coding in the MCS cylinder. - Protection against drilling
The carbide elements in the MCS cylinder core provide effective protection against drilling. - Pulling and tear-off protection
The carbide elements and the modular design (SYMO) have a high protective effect against pulling and tear-off attempts. - Impact key protection
With this complicated opening method, burglar professionals use a so-called impact key to try to bring the query positions in the cylinder into the correct position.
Key
- key thickness: 2,4 mm
- magnetic key made of special resistant nickel silver alloy
- permanent magnets made of Samarium-Cobalt-5 guarantee a long life
- maximum key copying security
- very resistant, low wear
- optional: ergonomic design key, key with colour dot
Description of the additional options
Key with design cap
- colours: black, blue and red, yellow, green and white
- material thickness design cap: 7,2 mm
- plastic caps for special design requirements for the keys
- ergonomic design and high quality for better haptics
- easy optical differentiation
- simple management of locking systems through colour assignment
- consecutive numbering of the key (key with the same locking authorisation receives a consecutive number)
- use exclusively for EVVA keys
- factory assembly, subsequent opening and retrofitting is not possible






Key with coloured dot
- colours: red, blue, green, yellow, brown, black, violet, pink
- with countersunk colour dot on the key neck
- for optical differentiation
- colour dot may differ from the image on the website




Options / Special equipment
- different cylinder finishes (Attention: extended delivery time)
- different knob designs, standard form AK (optional: KK, GK or X1K)
- weather protection
- seawater version
Description of the additional options
Cylinder finishes
- standard finish: nickel
- optional: brass (front polished), brown patinated, black patinated
- the cylinder knob is delivered in the selected cylinder finish
- optional finishes cannot be combined with: seawater resistance, dust and weather protection
- for individual design requirements
- if desired, homogeneous appearance of door cylinder and fitting
- Please note:
If a different finish, different from the standard finish, is ordered, extended production times may occur.








Knob design
- knob shape AK: standard: removable knob with three grip recesses
- knob shape KK: removable, offset, cone knob
- knob shape GK: removable, offset, round knob
- knob shape X1K: removable, transverse oval knob
- standard finish: brass matt nickel plated (AK, KK, GK, X1K)










SEW - seawater resistance
- for cylinders that are exposed to strong environmental influences
- cylinder parts susceptible to corrosion are delivered with a special surface finish
- Please note:
When ordering this option the delivery time will be extended.


SSW - protection mechanism against dust and weather influences
Spring-loaded locking plates integrated in the locking cylinder, which open and close automatically when the key is inserted or removed. This design is one-sided on the outside.
The cylinder is extended by 5,2 mm.
Please note:
When ordering this option, the delivery time is extended.
Scope of delivery
- knob cylinder incl. 3 or more keys
- fixing screw M5
- Installation tip: when installing, ensure that there is an external projection of max. 3 mm in conjunction with a fitting that cannot be screwed off from the outside!
- security card
Manufacturer:
EVVA Sicherheitstechnik GmbH
Höffgeshofweg 30
47807 Krefeld
www.evva.com
How to measure the cylinder length correctly?
You can also find help in determining the correct length in our Help Center for "Cylinder Gauge".
